Over Load Limiter : BFL-250D (속도 제어 전용)


 
- 한국산업안전공단검정품으로 제작됨
- 권선형 CRANE전용으로 제작하여 전자식인 LOAD CELL 대용으로 대용량 크레인에 적용 가능한 제품으로 제작
- CRANE 2차 저항기의 동작신호 판별회로를 내장하여 2차 단락 접점의 신호에 의해 자동 동작
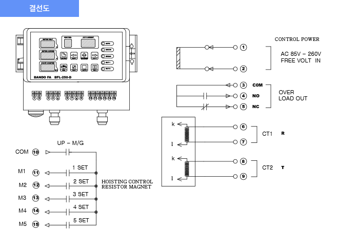
- 1단에서 5단까지의 속도제어 입력신호사용
- 전류설정값을 1단에서 5단까지 각각 설정이 가능
- 방수, 방진, 방습으로 제작되어 가볍고 튼튼하게 제작됨.
- 단상, 결상, 언발란스 2차 단락마그네트 소손 유무 등  자동 판별회로 내장
- CRANE 기동시 모타전압, 전류와 권상높이를 시간(sec)단위로 자동지시 하므로 작업자가 편리하고 정확한 값을
  판단 할 수 있다.
 
 
■ 조작전원(Power) : AC 85V 260V 겸용 ■ 전류사용한도(Available power) :
0.01A~1000A. 자동설정
■ START TIME : 0.1sec ~ 99.9 sec ■ 적용크레인(Applied crane) :
권선형 모타 전용크레인 2차 저항제어 신호입력
(1단~5단 자동설정)
■ SHOCK TIME : 0.1sec ~ 99.9 sec ■ 소비전력(Consumed power) : 약 5VA
■ 출력접점(Power generating point) :
1A 1B (COM.NO.NC)
■ 제품치수(Size of the product) :
가로 213 세로 183 높이 116
■ 주제어장치(Main controller) :
Micro Processor 제어
■ 중량(Weight) : 약 3kg
■ D복귀방법(Restoring method) : OVER LOAD
동작시 상승높이 만큼 하강동작시 자동복귀
-A- (하강전류 입력시 자동복귀)
-B- (하강 접점신호 입력시 자동복귀)
A-B (전류+접점 동시 동작시 자동복귀)
■ 특징 : 크레인의 정격 전류 자동기억 설정 기능으로 C/T 사용시 C/T 비율을 입력시 자동으로 전류값의 연산회로가 동작하여 지시한다.

LOAD LIMITER 를 속도제어전용 크레인에 설치작업 후 속도제어 신호입력라인의 거리가 멀어 신호입력이 각종 선로라인의 전원 케이블과 전기적인 NOISE 간섭으로 인하여 단수입력신호가 오동작현상이 발생할때, 본 제품인 NOISE 간섭 제거용 RELAY INTERFAC (BFL-250-RX05) 를 LOAD LIMITER 설치장소와 가장 가까운 위치에 설치하여 외부 각종 전원 NOISE 의 영향에도 정확한 동작을 할수있도록 제작된 제품이다.