CRANE START (크레인 주행 및 횡행 제어 전용)


단방향 (마그네트 정·역)

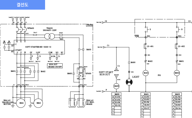
BD-SS30-S

220V 형
형명 정격용량(kW) 정격사용전류(A) 명칭
BD-237S 3.7 15 BD-SS30
BD-255S 5.5 22 BD-SS30
BD-275S 7.5 30 BD-SS30
BD-2110S 11.0 47 BD-SS30

BD-SS30

380V ~ 440V 형
형명 정격용량(kW) 정격사용전류(A) 명칭
BD-337/437S 3.7 8 BD-SS30-S
BD-335/455S 5.5 11 BD-SS30
BD-375/475S 7.5 15 BD-SS30
BD-3110/4150S 11.0 22 BD-SS30
BD-3150/4150S 15.0 30 BD-SS30
BD-3020/4020S 22.0 47 BD-SS30

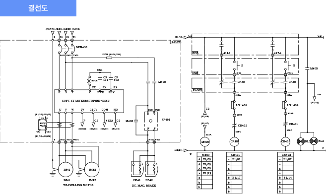
양방향 (자동 정·역)

BD-SS60

220V 형
형명 정격용량(kW) 정격사용전류(A) 명칭
BD-237W 3.7 15 BD-SS60
BD-255W 5.5 22 BD-SS60
BD-275W 7.5 30 BD-SS60
BD-211W 11.0 47 BD-SS60

BD-SS60H

380V ~ 440V 형
형명 정격용량(kW) 정격사용전류(A) 명칭
BD-337/437W 3.7 8 BD-SS60
BD-355/455W 5.5 11 BD-SS60
BD-375/475W 7.5 15 BD-SS60
BD-3110/4150W 11.0 22 BD-SS60
BD-3150/4150W 15.0 30 BD-SS60
BD-3220/4220W 22.0 47 BD-SS60
BD-3300/4300W 30.0 60 BD-SS60H
BD-3370/4370W 37.0 75 BD-SS60H